产品名称:扭矩传感器
产品说明:用于静态扭矩测量,型号:XRSFT-Ⅱ
产品介绍:电阻应变式原理,精度高,性能稳定可靠,安装使用方便,适用于静态扭矩测量。
一、技术指标及参数:
技术指标 | 技术参数 | 单位 | ||
量程 | SFT-Ⅰ | 0.5,1,2,3,5,10,20,30,50 | N.m | |
SFT-Ⅱ | 0.5,1,2,3,5,10,20,30,50,100,200,300,500,1000,2000,3000,5000 | |||
SFT-Ⅲ | 100,200,300,500,1000,2000,3000,5000,10000,20000,30000,50000 | |||
灵敏度 | 1~2 | mV/V | ||
非线性 | 0.1 | 0.3 | 1.0 | %FS |
重复性 | 0.1 | 0.3 | 1.0 | %FS |
滞后 | 0.1 | 0.3 | 1.0 | %FS |
供桥电压 | 12 | VCD | ||
输入电阻 | 350±20或710±20 | Ω | ||
输出电阻 | 350±20或710±10 | Ω | ||
绝缘电阻 | ≥2000 | Ω | ||
工作温度范围 | -20~+60 | ℃ | ||
热零点偏移 | 0.1 | 0.3 | 1.0 | %FS/10℃ |
热灵敏度偏移 | 0.1 | 0.3 | 1.0 | %FS/10℃ |
允许过负荷 | 120 | %FS | ||
接线方式 | 插座:1.电源(+)2.电源(-)3.输出(+)4.输出(-) | |||
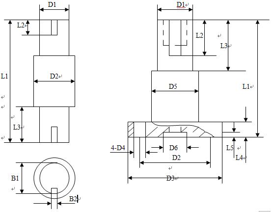
二、外形尺寸:
技术指标 | 技术参数 | 单位 | ||
量程 | SFT-Ⅰ | 0.5,1,2,3,5,10,20,30,50 | N.m | |
SFT-Ⅱ | 0.5,1,2,3,5,10,20,30,50,100,200,300,500,1000,2000,3000,5000 | |||
SFT-Ⅲ | 100,200,300,500,1000,2000,3000,5000 | |||
灵敏度 | 1~2 | mV/V | ||
非线性 | 0.1 | 0.3 | 1.0 | %FS |
重复性 | 0.1 | 0.3 | 1.0 | %FS |
滞后 | 0.1 | 0.3 | 1.0 | %FS |
供桥电压 | 12 | VCD | ||
输入电阻 | 350±20或710±20 | Ω | ||
输出电阻 | 350±20或710±10 | Ω | ||
绝缘电阻 | ≥2000 | Ω | ||
工作温度范围 | -20~+60 | ℃ | ||
热零点偏移 | 0.1 | 0.3 | 1.0 | %FS/10℃ |
热灵敏度偏移 | 0.1 | 0.3 | 1.0 | %FS/10℃ |
允许过负荷 | 120 | %FS | ||
接线方式 | 插座:1.电源(+)2.电源(-)3.输出(+)4.输出(-) | |||
型号 | SFT-Ⅰ | SFT-Ⅱ | SFT-Ⅲ | ||||
A | B | C | A | B | C | ||
量程(N.m) | 0.5,1,2,3,5,10,20,30,50 | 0.5,1,2,3,5,10,20,30,50,100 | 200,300,500,1000 | 2000,3000,5000 | 100,200,300,500,1000 | 100,200,300,500,1000 | 2000,3000,5000 |
D1 | φ30+0.023-0.043 | φ30 | φ50 | φ75 | φ50 | φ50 | φ75 |
D2 | φ45±0.1 | φ38 | φ70 | φ81 | φ80 | φ80 | φ105 |
D3 | φ60 | φ99 | φ99 | φ125 | |||
D4 | φ6.5 | φ10.5 | φ10.5 | φ12 | |||
D5 | φ38 | φ58 | φ58 | φ81 | |||
D6 | φ22+0.050 | φ40+0.05 | φ40+0.05 | φ60+0.05 | |||
L1 | 85 | 110 | 235 | 245 | 100 | 155 | 150 |
L2 | 17 | 17 | 50 | 50 | 50 | 50 | |
L3 | 25 | 80 | 70 | ||||
L4 | |||||||
L5 | |||||||
L6 | 14 | 25 | 30 | ||||
B1 | 26 0-0.2 | 26 0-0.2 | 44 0-0.2 | 67.5 0-0.2 | 44 0-0.2 | 67.5 0-0.2 | |
B2 | 8 | 8 | 16 | 20 | 16 | 20 | |
H1 | 12.7 | 19.05 | 25.4 | ||||